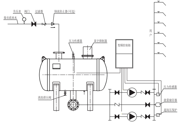
ZQWG系列高效無負壓智能變頻供水設備是由無負壓裝置和泵組及控制柜組成的供水設備,穩流裝置為閉式結構,閉式流量調節器為罐式管網疊壓(無負壓)設備,將系統設備串接在市政自來水管網壓力不足的地方,設備通過壓力傳感器檢測出口壓力,將檢測值和設定值進行比較,運算出市政自來水管網的原有壓力基礎上需要增加的壓力值,確定水泵投入運行臺數和變頻器輸出頻率(反應到電機及水泵為轉速)以符合用水曲線實現恒壓,無負壓變頻供水設備最大限度的利用了市政自來水管網的原有壓力,對市政自來水管網不產生負壓,用穩流罐取代老式水池,減少了用水二次污染,是供水領域新一代節能型產品。
工作條件
1.液體溫度:-15℃~ +104℃,該泵可輸送清水或物理化學性質類似于清水的液體;
2.工作壓力:最大工作壓力<2.5MPa,即系統壓力=入口壓力+閉閥工作時的壓力<2.5MPa;
3.周圍環境的溫度應低于40℃,相對濕度不超過95%。
性能特點
1. 無負壓:
◆ 系統與市政自來水管網直聯取水加壓運行不會造成市政自來水管網出現負壓;
◆ 高品質智能型電腦編程控制;
◆ 專用自主開發,具有多樣化功能,能夠提供尖端水準的精密控制,已經達到世界領先水平。;
2. 疊壓:
◆ 設備在運行借助市政自來水管網的壓力,并在此基礎上增壓,與從普通蓄水池吸水相比運行時可減少泵臺數或降低轉速而達到節能目的;
3. 保持恒壓:
◆ 設備通過壓力傳感器實時檢測出口壓力,將檢測和設定值進行比較運算,確定水泵的投入臺數和變頻器的輸出頻率(反映為電機及水泵的轉速),以實現恒壓的目的。;
4. 穩定供水:
◆ 供電線路停電時,系統通過旁通管路實現停電不斷水,即停電時系統自動切換市政自來水壓力供水。
5. 安全衛生:
◆ 過流部件均采用不銹鋼等食品級材料制造,符合國際涉水衛生規范。
6. 高度智能化:
◆ 系統能實現全自動控制,具有手動/自動切換、主副泵定時輪換、壓力調整、恒壓、高低電壓保護、欠相保護、漏電保護、過載保護、過熱保護、缺水保護、不用水停車、瞬間跳閘保護等功能。另可根據用戶需求配置人機界面,可視化遠程調整、檢測和維護。
7. 節省投資:
◆ 系統沒有蓄水池等土建貯水設施,節省了占地面積,降低了建筑承載負荷,因此大大降低了投資費用。
8. 節省運行費:
◆ 系統保證管道恒壓是根據用水量的變化調整投入臺套數和運轉速度,用水量大時投入功率大,用水量小時投入功率小。小用水量時(如夜間)系統由小功率泵變頻調速恒壓供水。系統一直在高效率點運行,因而大大降低了運行費用,可節約能源60%以上。
◆ 系統全自動運行無須專人值守;又因沒有蓄水池等土建貯水設施,也沒有水質處理儀器,免去定期清洗、消毒等工作。故進一步降低了運行費用。
◆ 如市政管網有一定的壓力,運行時只需在市政壓力基礎上補壓即可。與傳統具有蓄水池的供水設備相比達到同樣的效果而從電網吸取的功率較小。節能效果十分顯著。
原理示意圖


微信咨詢
關注我們